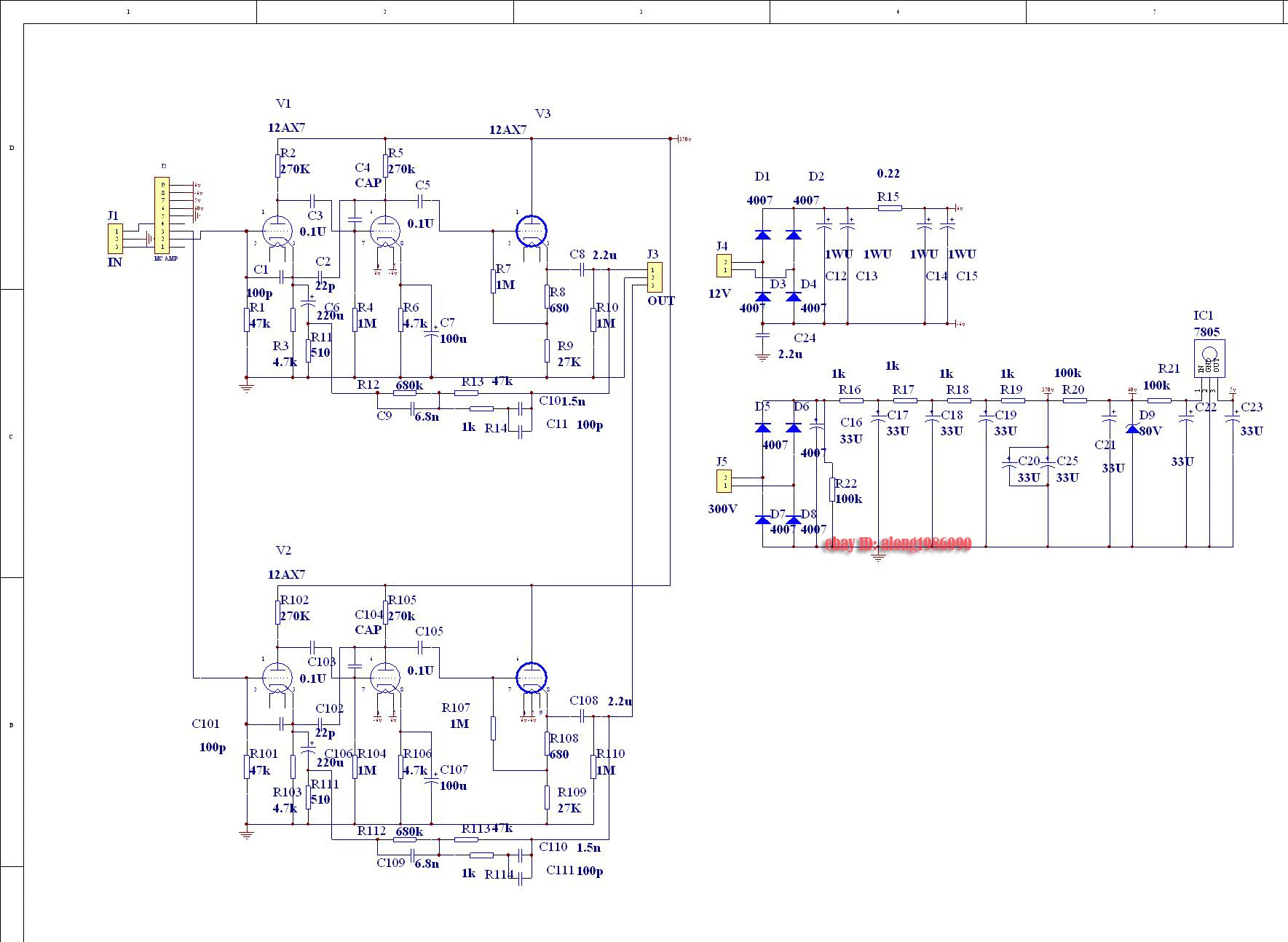
Marantz 7 Tube Preamplifier PCB / Vacuum Tube Phono Amplifier PCB

item as described. thanks.
Very fast delivery, 10 days, very nice! The quality plateau, believe схемотехническое solution is one of the best! Wiring Board competent and best!!! Recommend!
Product quality is excellent.To seller put circuit.Was sent and delivered quickly enough.Recommend.
Foremost OK
Yet did not make but quality is OK for.
Store Name: sep_store
Normal Price: US $9.50
Sale Price: US $9.50 (Discount: 0%)

Spesifications
Descriptions
| Marantz 7 Tube preamplifier PCB / Vacuum tube Phono amplifier PCB PCB size: 14*17CM preamplifier and Phono amplifier Dual-use. DC Filament. ![]() ![]() |
ALL O.K.



Comments
Post a Comment